產品分類/ PRODUCT CLASS
聯系方式/ CONTENT US
- 江蘇雙壽機械制造有限公司
- 電 話:0523-84358562
- 傳 真:0523-84398558,84321999
- 手 機:17751636566
- 網 址:www.m.jnjyxjd.com
- 地 址:靖江市生祠鎮法喜村橫港29號
陶瓷內襯復合鋼管

概述:
陶瓷內襯復合鋼管是國家高科技術“八六三”計劃中研制成功并率先產業化的具有國ji先j水平的復合新材料。該管從內到外分別由陶瓷、過渡層和鋼三層組成。陶瓷層是在2000℃以上高溫形成的致密的鋼玉瓷通過過渡層同鋼管形成牢固的冶金結合,具有良好的耐蝕、耐磨、耐高溫及高強度、高韌性,高抗機械沖擊和抗熱沖擊的綜合性能,且能進行車削,磨削和焊接等加工。
材料性能:
1、陶瓷層含AL2O3 90%以上,耐酸度96-98%,同高剛玉瓷耐酸度相同;
2、耐蝕性比不銹鋼高十倍;
3、耐磨性相當于鎢鈷硬質合金,比鋼高十幾倍;
4、可在900℃以下長期工作。
表一:陶瓷內襯復合鋼管的物理機械性能
| 項目數據 材料 |
強度 HV kg/mrn2 |
壓潰強度Mpa | 表面質 | 陶瓷層密度g/cm3 | 抗壓剪切強度(層間結合強度)Mpa | 抗機械沖擊(機械能50J點接觸管體陶瓷產生裂紋時沖擊次數) | 抗熱震性(加熱淬水三次陶瓷層出現裂紋的溫度 |
| 碳鋼管 | 149 | 411 | |||||
| 陶瓷內襯復合鋼管 | 1000-1400 | 300-350 | 光滑 | 3.9-4.2 | 15-20 | 15 | 900 |
表二:陶瓷內襯復合鋼管耐腐蝕性(按不銹鋼測試標準)
| 材料 | 10%HCL(g/m2h) | 10%H2SO4(g/m2h) |
30%醋酸(g/m2h) | 30%NaOH(g/m2h) |
| 不銹鋼1Cr18Ni9T1 | 0.1-1 | 3-4 | 0.1 | 0.1 |
| 陶瓷內襯復合鋼管 | 0.08-0.1 | 0.147 | 0.028 | 0 |
表三:陶瓷內襯復合鋼管耐酸度(按耐酸陶瓷標準)
| 材料 | 10%HCL+10%H2SO4+10%HN03在90℃加熱5小時 |
| 耐酸陶瓷 | 80% |
| 陶瓷內襯復合鋼管 | 96-98% |
表四:陶瓷內襯復合鋼管耐磨性
| 噴砂對比試驗(siC砂) | 30%siO2泥漿沖刷對比試驗 | ||
| 材料 | 體積減少 | 材料 | 體積損失 |
| 97%氧化鋁管 | 0.0025 | 45號銅 | 25 |
| 陶瓷內襯復合鋼管 | 0.0022 | 陶瓷內襯復合鋼管 | 3 |
用途:
可取代不銹鋼鋼管、有色金屬管、玻璃鋼管、化工陶瓷和鑄石管等,廣泛應用于石油、化工、冶金、煤炭、電力和地熱能源等部門。使用價格低于不銹鋼管,且性能優于不銹鋼管,陶瓷內襯復合鋼管,可代替昂貴的不銹鋼管、鎳管、鈦管等,大大降低工程造價。
具有優異的耐蝕性和耐酸度,在化工,石化等行業,對具有強烈腐蝕的各種酸、堿、鹽及其它腐蝕性氣體、液體輸送是理想的耐蝕管道材料。
具有超硬耐磨性,用于劇烈磨損的礦山充填、尾礦運送、高爐噴煤、熱電氣力除渣等行業,作為輸送管道更合適。
耐高溫,并具有高的抗機沖擊和抗震性。用于石油裂解氣、合成氨中溫變換氣、合成橡膠生成氣以及溶融堿液、鹽載熱體的輸送管道。
該管用在耐蝕、磨損、高溫的綜合場合下更能顯身手。適用于高溫腐蝕氣體和液體,含有固體顆粒的腐蝕物料以及硫地熱水輸送管道。
產品特點:
1、耐磨性好。
2、運行阻力小。
3、工程造價低;陶瓷內襯復合鋼管因重量輕,使用壽命提高,從而使支吊架費用,搬運費用減少,平均投資下降。陶瓷復合管的工程總造價鑄石管相當,與耐磨鋼相比工程造價下降20-30%。
4、耐腐蝕、防結垢。
5、耐溫性能好:陶瓷內襯復合鋼管能在-50--900℃溫度范圍內長期正常運行,材料線膨脹系數6-8*10-6℃。
6、安裝施工方便:產品重量輕,與同內徑的其他管件材相比,可節約鋼材,且具有耐熱與耐機械沖擊等良好的綜合性能,可采用焊接、法蘭、快速接頭聯接方式,施工安裝方便,可減少安裝費用。
產品規格
![]() |
![]() |
| 陶瓷內襯復合鋼直管 | 陶瓷內襯復合鋼22.5°彎管 |
![]() |
![]() |
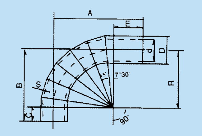
| 陶瓷內襯復合鋼45°彎管 | 陶瓷內襯復合鋼90°彎管 |
![]() |
|
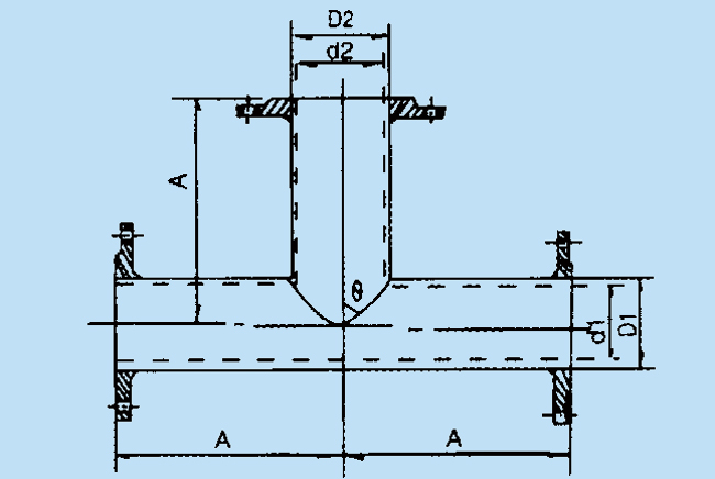
| 陶瓷內襯復合鋼三通管 |







蘇公網安備 32128202000235號